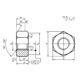
Гайки высокопрочные шестигранные с увеличенным размером "под ключ", ГОСТ Р 52645-2006. Применяются в металлических конструкциях, применяемых в строительстве и машиностроении, эксплуатируемых районах с умеренным и холодным климотом.

Поле допуска резьбы: 6H.
Марка стали: 3, 20, 35, 45, 40Х, 09Г2С, 12Х13.
Класс прочности: 4; 5; 6; 8; 10; 12.
 
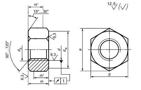
Гайка высокопрочная шестигранная с увеличенным размером ГОСТ Р 52645-2006 - фото - 2

Гайка высокопрочная шестигранная с увеличенным размером ГОСТ Р 52645-2006

Гайки высокопрочные шестигранные с увеличенным размером "под ключ", ГОСТ Р 52645-2006. Применяются в металлических конструкциях, применяемых в строительстве и машиностроении, эксплуатируемых районах с умеренным и холодным климотом.

Поле допуска резьбы: 6H.
Марка стали: 3, 20, 35, 45, 40Х, 09Г2С, 12Х13.
Класс прочности: 4; 5; 6; 8; 10; 12.
 
Санкт-Петербургский Завод крепежных изделий © 2025г. Все права защищены
Адрес
СПб, г. Колпино, б-р Трудящихся, дом 2, лит. А., пом. 13-Н, офис 1
Яндекс.Метрика